登录
|
注册
|
繁
|
简
无障碍浏览
网站支持IPV6
网站首页
新闻中心
政府信息公开
办事服务
互动交流
走进县区
当前位置:
首页
>
新闻中心
>
通告公示
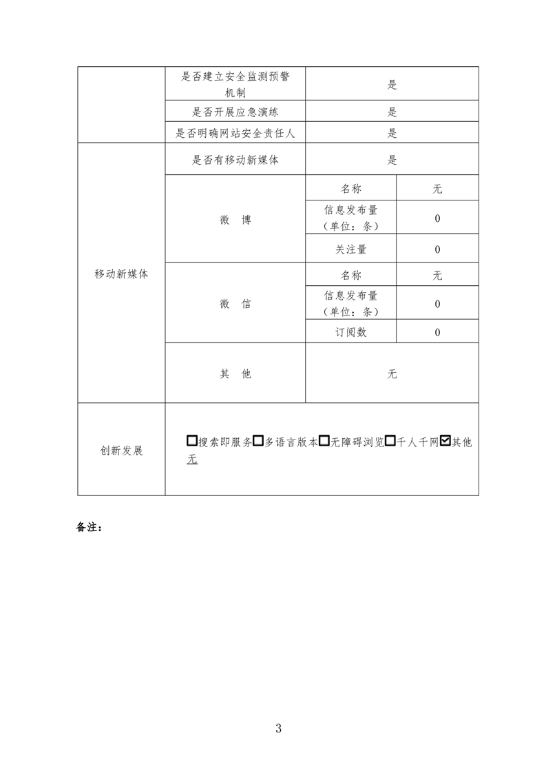
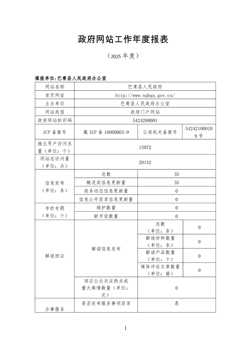
2025年度政府网站工作报表
来源:
巴青县人民政府办公室
访问量:
发布日期:
2026-01-22 16:20
字号:
大
中
小
责任编辑:赤列多布杰
扫一扫在手机打开当前页
分享到:
上一篇:
下一篇: